Product Name: DC 12V 8 Channel Pro mini PLC Board Relay Shield Module for Arduiuo Multifunction Delay Timer Switch Board
Package inlcuded(Ship according to the item you purchased):
1 PCS Pro Mini Download cable(CH340 USB to TTL232)
1 PCS pro mini ATMEGA328P 5V/16M(Has been welding pin)
1 PCS pro mini ATMEGA328P 5V/16M(Has been welding pin)
1 PCS DC 12V 8 channel Pro mini PLC relay board

Product Features:
1 Operating voltage: DC 12V
2 Operating Current : Standby current (Digital tube OFF) 12MA, Standby current 48MA (Digital tube ON), 1 relay open 76MA, 2 relays open 104MA, 3 relays open 131MA, 4 relays open 162MA,5 relays open 184MA, 6 relays open 209MA, 7 relays open 255MA, 8 relays open 288MA
3 on-board resources: 8x opto-isolated inputs (low level trigger, NPN type), 4x buttons, 1 4 bit digital tube display, 1 pair of Pro mini slots, 8 relay outputs
4 size 120*62*19mm
5 Weight : 131g
We provide the code(sketch) can only achieve a simple delay function,The delay time is adjusted by modifying the delay parameter of the code(sketch).
If you need more functionality, write your own code. We do not provide additional code(sketch) and technical support
How to use: See video ” IO22C04 pro mini delay relay demo”(You can search for videos on GOOGLE)
Note: IO22D08 can not work independently, must be under the control of the Pro mini board to work,If you do not have a Pro mini board, Please purchase the kit ”RelayBoard ProMini”
Application examples:
As long as you write ARDUIUO Pro mini code(sketch),You can use it to achieve a variety of delay timer function,such as:
Motor forward and reverse,
Timing on,
Timing off,
Power-up delay,
Trigger delay,
Infinite loop delay,
A finite number of cyclic delays,
Power sequencer,
And so on.
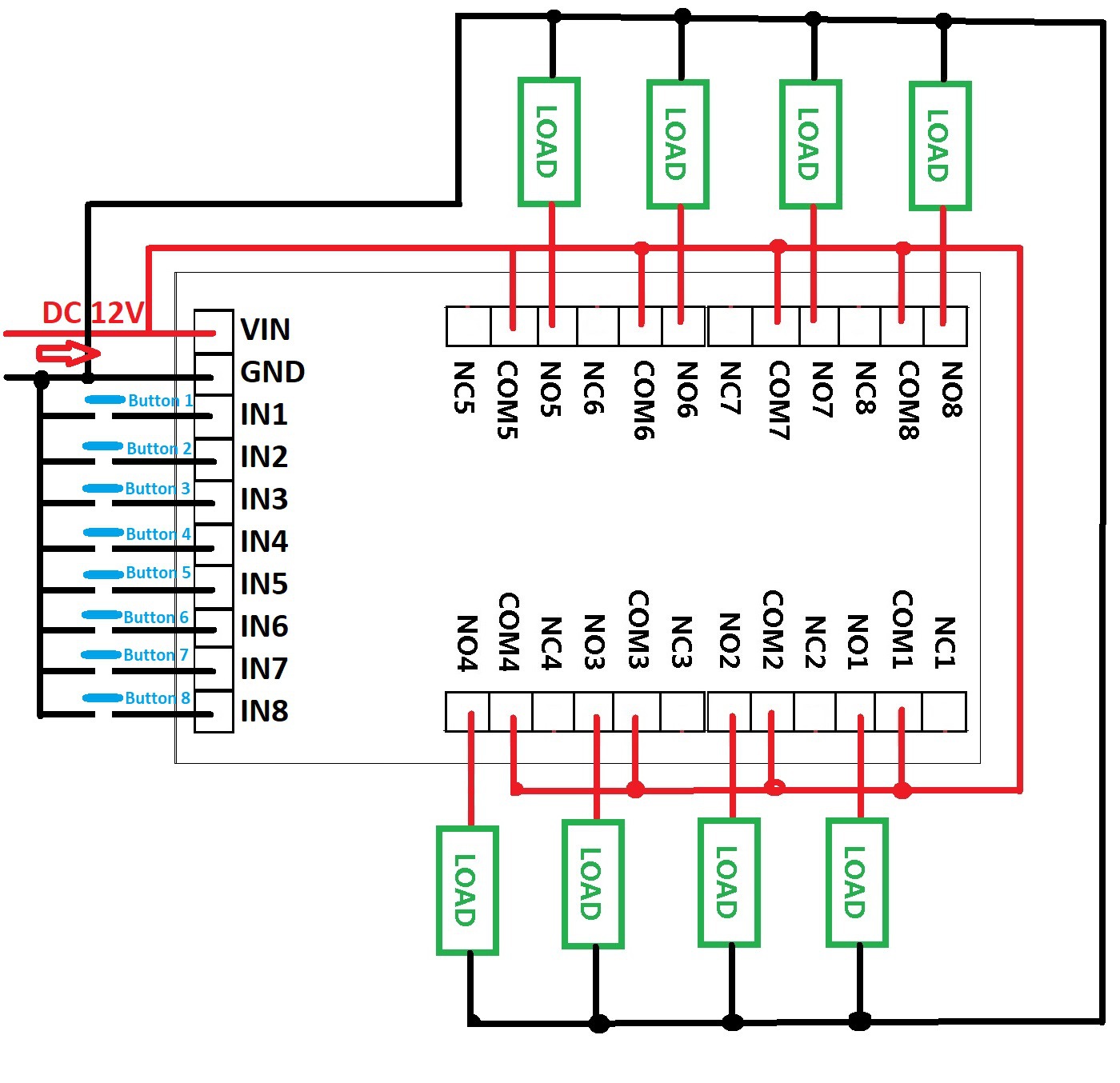
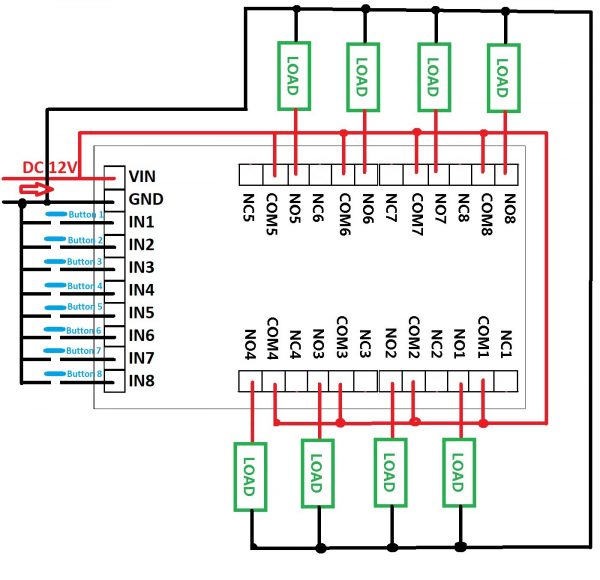
Wiring diagram:
1 DC 12V control circuit,Wiring diagram below. ”LOAD” may be LED lights, fans, toy car and
other DC 12V equipment

2 DC 1-100V OR AC 85-265V control circuit,Wiring diagram below. ”LOAD” may be LED lights, fans, motors and other DC AC equipment
other DC 12V equipment

2 DC 1-100V OR AC 85-265V control circuit,Wiring diagram below. ”LOAD” may be LED lights, fans, motors and other DC AC equipment










